



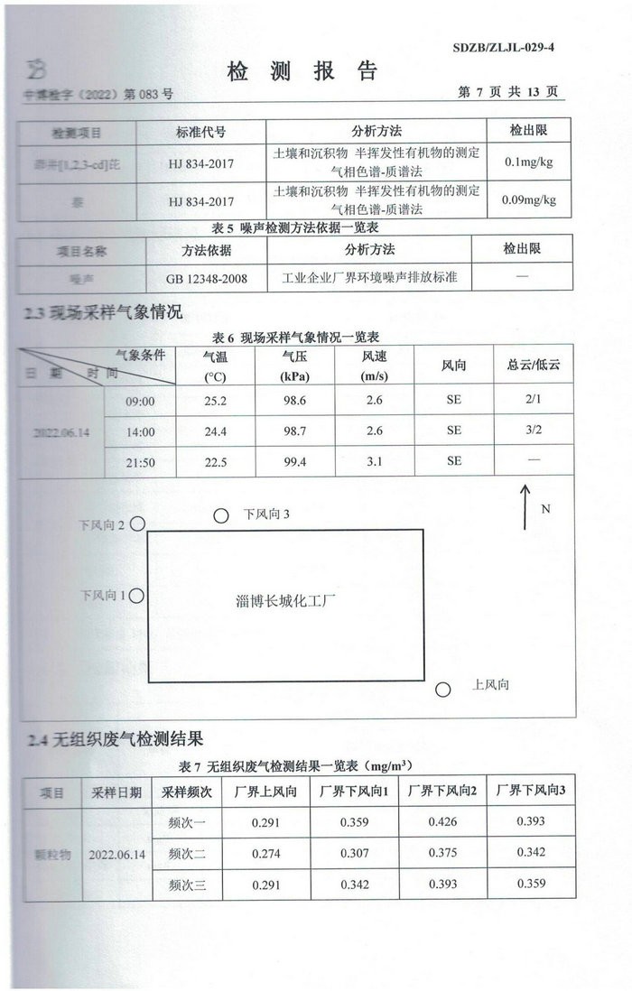
淄博长城化工厂
联系人:王刚 手机:1357����� �������Ƴ������������ �������Ƴ������������ �������Ƴ������������ �������Ƴ�������3362752
联系人:南连霞 手机:13475591519����� �������Ƴ����������� �������Ƴ������������ �������Ƴ������������ �������Ƴ�������
座机:0533-4910852
传真:0533-4689683����� �������Ƴ������������ �������Ƴ������������ �������Ƴ������������ �������Ƴ�������
公共邮箱:zbcchg@1����� �������Ƴ������������ �������Ƴ������������ �������Ƴ������������ �������Ƴ�������26.com
地址:山东省淄博市博山区白塔镇����� �������Ƴ������������ �������Ƴ������������ �������Ƴ����������� �������Ƴ�������小店村
